Уточнюйте у менеджера, залежить від обсягу та умов постачання
Стандарт: ДСТУ 3311:2019 (ГОСТ 16277-93)
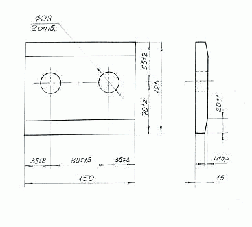
Тип виробу: Планка притискна П-2
Матеріал: Сталь конструкційна 09Г2С або Ст3, гарячекатана, термооброблена, із захисним покриттям (цинковим, фосфатним або лакофарбовим)
Технічні параметри:
Притискна планка П-2 — елемент рейкового скріплення, призначений для фіксації підошви рейки на підкладці за допомогою клемного болта. Застосовується при монтажі та ремонті залізничних колій для забезпечення міцності та стійкості рейкового кріплення. Використовується в комплексі з клемою, гайкою та підкладкою, запобігаючи зсуву та розхитування рейки при динамічних навантаженнях.
Планка П-2 виготовляється за ДСТУ 3311:2019 (ГОСТ 16277-93) із якісної конструкційної сталі. Має вигнуту форму, що забезпечує щільне притискання підошви рейки до підкладки. У верхній частині виконаний профіль під форму рейки, що виключає бічні рухи та забезпечує рівномірний розподіл зусиль при затягуванні клемного болта. Метал проходить термообробку і покривається антикорозійним складом збільшення терміну служби.
Планки притискні П-2 застосовуються в залізничних клемних скріпленнях типів КБ, КБЛ, КП при укладанні рейок Р-50 та Р-65. Використовуються на дерев'яних та залізобетонних шпалах при будівництві, ремонті та модернізації залізничних ліній. Сумісні з клемними болтами М22, гайками колійними М22 та пружинними шайбами ШС-22.
Переваги планок притискних П-2:
Пн–Пт 08:00 – 20:00