Уточнюйте у менеджера, залежить від обсягу та умов постачання
Стандарт: ДСТУ 3311:2019 (ГОСТ 16277-93)
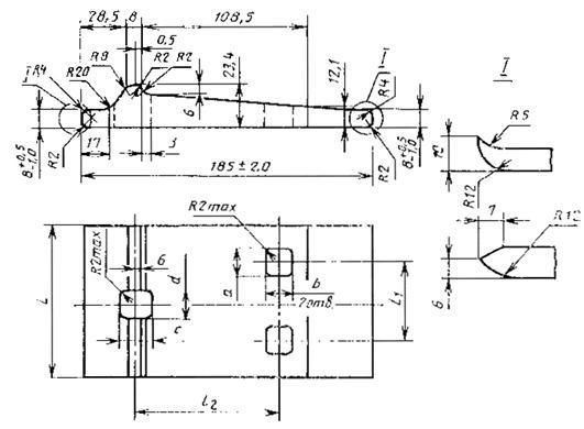
Тип виробу: Підкладка рейкова Р-18
Матеріал: Сталь конструкційна Ст3 або 09Г2С, гарячекатана, з антикорозійним покриттям
Технічні параметри:
Підкладка Р-18 – елемент верхньої будови колії, призначений для встановлення під рейки легкого типу Р-18. Забезпечує рівномірний розподіл тиску рейки на шпалу, захищає деревину від зношування та запобігає зміщенню рейки при вібраційних навантаженнях. Застосовується у легких та промислових залізничних коліях, а також на будівельних та технологічних гілках.
Підкладки Р-18 виготовляються за ДСТУ 3311:2019 (ГОСТ 16277-93) із гарячекатаної сталі. Конструкція є металевою пластиною з виїмкою під підошву рейки і двома отворами для кріплення милицями. Поверхня підкладки ретельно оброблена для забезпечення щільного прилягання рейки, що підвищує стійкість колії та довговічність шпал.
Підкладки Р-18 застосовуються у легких залізничних коліях підприємств, на тимчасових та будівельних лініях, а також на вузькоколійних ділянках. Використовуються з дерев'яними шпалами і рейками Р-18, милицями, що закріплюються, 14×130 мм або шурупами колійними.
Переваги підкладок Р-18:
Пн–Пт 08:00 – 20:00