Уточнюйте у менеджера, залежить від обсягу та умов постачання
Стандарт: ДСТУ 3323:2019 (ГОСТ 8165-75)
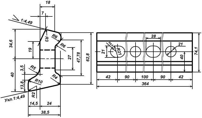
Тип виробу: Накладка стикова Р-24
Матеріал: Сталь конструкційна 09Г2С, 20ГЛ або Ст5, з термообробкою та антикорозійним покриттям
Технічні параметри:
Накладка Р-24 - елемент верхньої будови залізничної колії, що служить для міцного з'єднання рейок типу Р-24 в стиках. Забезпечує стійкість колії, рівномірний розподіл навантажень та геометричну точність колії під час експлуатації на промислових, будівельних та тимчасових залізничних ділянках.
Накладки стикові Р-24 виготовляються ДСТУ 3323:2019 (ГОСТ 8165-75) з конструкційної сталі з подальшою термічною обробкою для підвищення міцності та зносостійкості. Профіль накладки повторює контур рейки Р-24, що забезпечує щільне сполучення та надійну фіксацію рейок у стику. Всі отвори під стикові болти виконуються з високою точністю для запобігання зміщенню та ослабленню з'єднання.
Накладки Р-24 застосовуються для з'єднання рейок типу Р-24 на промислових, під'їзних та малодіяльних шляхах, у будівельних та технологічних гілках. Використовуються для ремонту та укладання легких залізничних колій у складі тимчасових або допоміжних ліній підприємств.
Переваги накладок Р-24:
Пн–Пт 08:00 – 20:00