Уточнюйте у менеджера, залежить від обсягу та умов постачання
Стандарт: ДСТУ 3323:2019 (ГОСТ 8165-75)
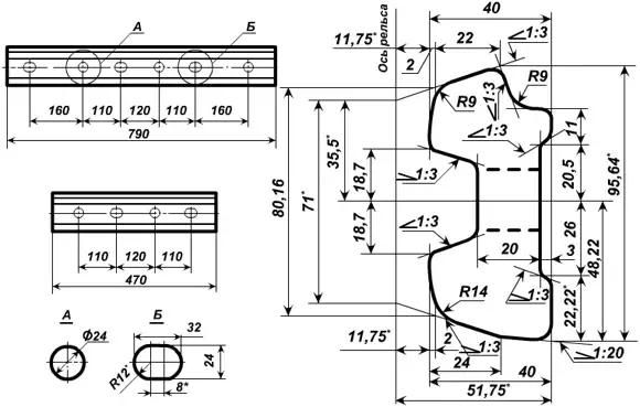
Тип виробу: Накладка стикова Р-43 б/в (вторинного застосування)
Матеріал: Сталь конструкційна 09Г2С, 20ГЛ або Ст5, термооброблена
Технічні параметри:
Накладка Р-43 б/в — елемент верхньої будови колії, що був в експлуатації, призначений для повторного використання при з'єднанні рейок типу Р-43. Забезпечує надійність та міцність стику при експлуатації на промислових, будівельних та тимчасових залізничних лініях. Застосовується у ремонтних та відновлювальних роботах при обмеженому бюджеті.
Накладки типу Р-43 виготовляються за ДСТУ 3323:2019 (ГОСТ 8165-75) із конструкційної сталі, піддаються термообробці та фрезеруванню робочих поверхонь. Після демонтажу шляху виробу проходять сортування, очищення від іржі та бруду, а також візуальний та механічний контроль стану. До повторного застосування допускаються накладки без тріщин, сколів та деформацій з залишковим зносом не більше 15%.
Накладки Р-43 застосовуються при ремонті залізничних колій, на промислових і під'їзних гілках, складських майданчиках і тимчасових ділянках колії. Використовуються для з'єднання рейок типу Р-43 із застосуванням болтів М24×150 та стандартних шайб ДСТУ 11532:2017. Підходять для шляхів III-V категорії з помірним навантаженням.
Переваги накладок Р-43:
Пн–Пт 08:00 – 20:00