Уточнюйте у менеджера, залежить від обсягу та умов постачання
Стандарт: ДСТУ 3311:2019 (ГОСТ 16277-93)
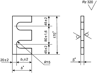
Тип виробу: Планка упорна У-3
Матеріал: Сталь конструкційна 09Г2С або Ст3, гарячекатана, термооброблена, з антикорозійним покриттям (цинковим, фосфатним або лакофарбовим)
Технічні параметри:
Планка наполеглива У-3 - елемент рейкового скріплення, що застосовується для фіксації рейки від бічних переміщень та утримання її на підкладці під дією горизонтальних навантажень. Встановлюється із зовнішнього боку рейки та працює спільно з клемою та болтом. Застосовується в клемних системах рейкових скріплень при укладанні та ремонті залізничних колій різного призначення.
Планка У-3 виготовляється за ДСТУ 3311:2019 (ГОСТ 16277-93) із конструкційної сталі з підвищеною міцністю. Конструкція являє собою сталеву пластину з вигнутим завзятим профілем, що точно відповідає формі шийки рейки. Така форма забезпечує щільний контакт між рейкою та планкою, запобігаючи зміщенню рейки при вібраціях та бічних зусиллях. Кріплення здійснюється за допомогою клемного болта М22 та гайки колійної М22.
Планки упорні У-3 застосовуються в системах рейкових скріплень типів КБ, КБЛ, КП та аналогічних, встановлюються із зовнішнього боку рейки. Використовуються при монтажі та ремонті залізничних колій на магістральних, станційних, промислових та стрілочних ділянках. Призначені для запобігання зсуву рейки під впливом бічних зусиль, що виникають при проходженні рухомого складу.
Переваги упорних планок У-3:
Пн–Пт 08:00 – 20:00