Уточнюйте у менеджера, залежить від обсягу та умов постачання
Стандарт: ДСТУ 3323:2019 (ГОСТ 8165-75)
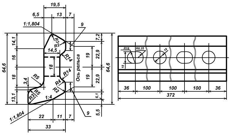
Тип виробу: Накладка стикова Р-18
Матеріал: Сталь конструкційна 09Г2С, 20ГЛ або Ст5, термооброблена і фрезерована
Технічні параметри:
Накладка Р-18 – елемент верхньої будови колії, призначений для міцного з'єднання рейок типу Р-18 у стиках. Забезпечує надійність та геометричну стабільність колії на малодіяльних, під'їзних та технологічних залізничних лініях, а також на вузькоколійних ділянках та промислових дорогах.
Накладки стикові Р-18 виготовляються ДСТУ 3323:2019 (ГОСТ 8165-75) з конструкційної сталі з подальшою термообробкою. Профіль виробу повністю відповідає рейці типу Р-18, забезпечуючи щільне прилягання по шийці та підошві рейки. На накладках виконані отвори під болти, які розташовані з точним дотриманням розмірів, що виключає зсув при монтажі.
Накладки Р-18 застосовуються при влаштуванні легких промислових, будівельних та під'їзних залізничних колій, а також на коліях усередині підприємств та шахт. Використовуються для з'єднання рейок Р-18 із застосуванням стикових болтів, шайб та гайок стандартного виконання.
Переваги накладок Р-18:
Пн–Пт 08:00 – 20:00