Уточнюйте у менеджера, залежить від обсягу та умов постачання
Стандарт: ДСТУ 3311:2019 (ГОСТ 16277-93)
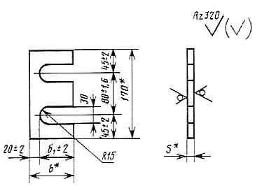
Тип виробу: Планка упорна У-1
Матеріал: Сталь конструкційна 09Г2С або Ст3, гарячекатана, термооброблена, з антикорозійним покриттям (цинковим, фосфатним або лакофарбовим)
Технічні параметри:
Планка завзята У-1 - елемент рейкового скріплення, призначений для фіксації рейки в горизонтальній площині та сприйняття бічних навантажень, що виникають під час проходження рухомого складу. Встановлюється із зовнішнього боку рейки на підкладці, запобігаючи його зміщенню та розхитування. Використовується в клемних та комбінованих скріпленнях на залізничних коліях різних категорій.
Планка У-1 виготовляється ДСТУ 3311:2019 (ГОСТ 16277-93) з конструкційної сталі. Конструкція є вигнутою сталевою пластиною з завзятою поверхнею, що прилягає до шийки рейки. Форма та розміри забезпечують надійне утримання рейки на підкладці при динамічних та вібраційних навантаженнях. Кріплення виконується за допомогою клемного болта М22 та гайки колійної М22.
Планки упорні У-1 застосовуються в рейкових скріпленнях типів КБ, КБЛ, КП та аналогічних системах при укладанні рейок Р-50 та Р-65. Встановлюються на зовнішній стороні підкладки та забезпечують поперечну стійкість рейки. Використовуються на магістральних, станційних та промислових залізничних лініях, включаючи ділянки з підвищеним навантаженням.
Переваги упорних планок У-1:
Пн–Пт 08:00 – 20:00